[Forside] [Indhold] [Forrige] [Næste]

Vandrensning ved hjælp af aktiv kulfiltre

Appendiks 2

 

1 Udenlandske praktiske erfaringer med aktiv kul

1.1 Franske erfaringer med aktiv kul

I Frankrig udvindes drikkevandet hovedsageligt fra floder. Da smagen af chlor anses for uacceptabel, har fransk praksis været at erstatte chlor med ozon til desinfektion. Ozon anvendtes fra begyndelsen af århundredet, og ozon er blevet kombineret med aktiv kul i de sidste to årtier.

Før 1970 anvendtes aktiv kul i form af pulveriseret aktiv kul i Frankrig til at fjerne smagen af naturlige organiske forbindelser i råvand. Denne smag blev ofte associeret med tilstedeværelsen af alger i floder, og blev i visse tilfælde forstærket af virkningen af syntetiske organiske stoffer, særligt produkter fra chloring. Da vandkvaliteten imidlertid vedvarende er blevet forværret, har der været en konstant stigning i niveauet af chloring, hvilket har resulteret i smagsproblemer, og pulveriseret aktiv kul er blevet mindre effektivt. I slutningen af 60'erne begyndte brugen af granulært aktiv kul (GAC) derfor at blive overvejet. I starten var denne modifikation en simpel erstatning af sand med GAC i sandfiltre.

Tabel 1 opremser vandværkerne, som anvender GAC i stedet for sand. I rensningen indgår tillige flokkulering og sedimentation. I disse vandværker er der opnået gode resultater med fjernelse af chlorsmag.

Desinfektion opnås ved ozonering, og kontrol af eftervækst i ledningsnettet sker gennem tilsætning af natriumhypochlorit, chlor eller chlordioxid. Kul regenereres hvert år eller hvert andet år, afhængig af det individuelle vandværk. Visse kulkolonner er blevet regenereret op til fem gange uden vanskelighed. Regenererings-kriterier (reaktiverings-kriterier) baseres ofte på smagen. Filtertyper er normalt den åbne type, fremstillet af beton i rektangulære tanke med et filterareal på omkring 220 m2. Kuldybden varierer gerne fra 0,7 til 1 m og opholdstiden varierer fra 6 til 20 min.

Trinvis ozonering

Efterhånden som vandkvaliteten er faldet, er der udviklet en ny teknologi, som kombinerer trinvis ozonering med sandfiltrering og aktiv kul dobbeltfiltrering. Andettrinsfiltreringen med kul indledes med ozonering, som reducerer mængden af organisk stof. Dette koncept anvendes af de største vandværker i Frankrig.

Tabel 2 indholder en liste over de anlæg, som praktiserer trinvis ozonering før andet filtreringstrin med granulært aktiv kul. Ozonering i kombination med aktiv kul udgør, hvad ofte kaldes biologisk aktiv kul (BAC). Ammoniak fjernes for hovedparten biologisk i sandfiltret, mens aktiv kul filtret gennem BAC-processen reducerer indholdet af organiske stoffer.

Tabel 1.
Større vandværker i Frankrig som anvender granulært aktiv kul til første filtrering.
link til tabel

Tabel 2
Væsentlige vandværker, som anvender trinvis ozonering før anden filtrering på granulært aktivt kul
link til tabel

Montauban vandværk

Montauban vandværk ligger i Bretagne (i nordvestlige Frankrig). Det behandler vand, som stammer fra et grundvandsreservoir i en dybde på ca. 20-30 m gennem tre pumpestationer: Le Tizon, la Bouexiere og La Saudrais.

Kapaciteten af vandværket er omkring 25.000 m3/dag. Værket er udstyret med GAC-filtre og startet l marts 1997. GAC systemet består af to lukkede gravitationsfiltre. Den anvendte kultype er NORIT ROW 08 Supra. Opholdstiden er omkring 10 minutter.

De mest betydningsfulde forureningsstoffer i dette grundvand er pesticider, særligt triaziner og isoproturon. Tabel 3 giver en oversigt over de maksimale koncentrationer målt i grundvandet.

Tabel 3
link til tabel
Forureningsstof koncentration i grundvandet til Montaubans vandværket (alle koncentrationer er udtrykt i ng/l).

Analyser foretaget siden starten tyder på, at niveauet af atrazin er faldet i grundvandet, se tabel 4. l de nyeste analyserapporter er der påvist desethylatrazin og desisopropylatrazin, der er kendt som atrazinnedbrydningsprodukter.

Tabel 4.
Analyse af triaziner i grundvandet ved Montaubans vandværker. (Alle koncentrationer udtrykt i ng/l.).

27-06-96

La Bouexiere

Le Saudrais

Le Tizon

Atrazin

Desethylatrazin

Deisopropylatrazin

490

150

<50

190

120

<50

210

180

60

25-01-96

La Bouexiere

Le Saudrais

Le Tizon

Atrazin

Desethylatrazin

Desisopropylatrazin

530

200

80

390

210

70

50

110

<50

Desuden er der nitrit i Tizon's brønd med koncentrationer på op til 0,29 mg NO2/L og ammoniak op til 0,07 mg/L ved La Bouexiere's boring, se tabel 5. Vandkvaliteten er god, men alkaliniteten er høj. Tilstedeværelsen af organisk materiale i grundvandet ændrer sig fra år til år, hvilket fører til smags- og lugtproblemer efter chloringstrinet i vandværket.

Tabel 5
link til tabel
Analyse af råvand i grundvandet til Montauban vandværk.

I juni 1997 er forureningsstofferne ikke brudt igennem. Koncentrationen af triaziner er under detektionsgrænserne, dvs. <50 ng/L.

Rouen-la-Chapell vandværk

Rouen-la-Chapelle vandværket er placeret i Normandiet, hvor det forsyner den sydlige forstad til Rouen.

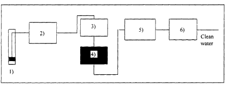
Råvandet, der er grundvand, pumpes fra boringer i kalken i en dybde på 35 m. Rensningen består af et forozoneringstrin, efterfulgt af en sand- og aktiv kul dobbeltfiltrering. Desinfektionen udføres vha. et efterozonationtrin og et chloringstrin. Figur 1 viser flow-skemaet for processen.

Figur 1. Flow-skema af Rouen-la-Chapelle vandværket. 1) Pumpestation; 2) Preozonering; 3) Sandfiltrering; 4) GAC-filtrering; 5) Efterozonering; 6) Chloring. (5 Kb)

Figur 1.
Flow-skema af Rouen-la-Chapelle vandværket. 1) Pumpestation; 2) Preozonering; 3) Sandfiltrering; 4) GAC-filtrering; 5) Efterozonering; 6) Chloring.

Flowet gennem dette vandværk er på 54.000 m3/dag. GAC-enheden består af seks filtre i parallel drift, se tabel 6.

Tabel 6.
Specifikation af GAC-filtre ved Rouen-la-Chapelle værket.

Antal filtre

6

Kultype

Tværsnitsareal

Total volumen af GAC

Flow

Filterhastighed

Th

Picactif TE 60

454.8 m2 = 75.8 m2 pr. filter

336 m3 = 56 m3 pr. filter

2250 m3/h

ca. 5 m/h

< 9 min.

Mikroforureningsstofferne i råvandet består hovedsageligt af triaziner (atrazin og simazin) og af chlorerede alifatiske forbindelser (trichlorethylen, tetrachlorethylen og 1,1,1-trichlorethan), se tabel 7.

Koncentrationen af mikroforureningsstofferne i de tre brønde og det rene vand er bestemt over en tidsperiode på 6-7 år. Koncentrationen af atrazin og simazin i det rensede vand er mindre end grænseværdien, dvs. under 0,1 µg/L.

Tabel 6 viser, at den hydrauliske opholdstid (Th) i disse GAC-filtre er omkring 9 min. Dette er en lav værdi, som medvirker til at forklare den dårlige fjernelse af chlorerede forbindelser. Derfor kunne en øgning af Th forbedre fjernelsen af trichlorethylen og tetrachlorethylen. Imidlertid er der en dårlig fjernelse af 1,1,1-trichlorethan. F.eks. nåede koncentrationen i udledningen i 1996 en værdi på 50 µg/L. Dette forklares af den lave adsorptionskapacitet for 1,1,1-trichlorethan på aktiv kul. Freundlich parametre, som er samlet i tabel 2.2.1, indikerer, at trichlorethylen og tetrachlorethylen er blandt de chlorerede forbindelser, som adsorberes bedst på aktiv kul, hvorimod 1,1,1-trichlorethan er en af dem, der adsorberes dårligt på GAC.

Tabel 7.
Analyse af råvand ved Rouen-la-Chapelle værket (gennemsnitlig udvikling mellem 1/1-'92 og 1/1-'95).

 

Boring 1

Boring 2

Boring 3

pH

Temperatur (°C)

Turbiditet (NTU)

Ledningsevne (µS/cm ved 20°C)

TOC (mg/L)

Nitrat (mg/L)

Sulfat (mg/L)

Chlorid (mg/L)

Aluminium (µg/L)

Calcium (mg/L)

Kobber (µg/L)

Jern (mg/L)

Fluorid (mg/L)

Magnesium (mg/L)

Mangan (µg/L)

Kalium (mg/L)

Inddampningsrest (mg/L)

Silicium (mg/L)

Natrium (mg/L)

Zink (µg/L)

Kuldioxid, CO2 (mg/L)

Ilt, O2 (mg/L)

Hydrogencarbonat (mg/L)

Atrazin (µg/L)

Simazin (µg/L)

Trichlorethylen (µg/L)

Tetrachlorethylen (µg/L)

6.9-7.5

ca. 15

0.1-0.3

480-830

1.3-4.3

15-20

35-65

31-35

10-70

100-135

2-14

10

0.01-0.17

6-15

10-50

0.1-12

420-440

12-13

17-28

1-18

40-60

0-12.5

305-354

0.1

0.02-0.06

1.4-13

0.05-1.1

7.1-7.4

ca. 15

0.1-0.2

500-800

1.3-2.8

23-53

35-69

29.5-35

10-65

115-155

4-13

10

0.05-0.15

0.5-10

10-50

3.8-6.2

410-1420

12.2-13

16-22

1-18

26-43

0.7-10

305-360

0.11

0.08-0.1

0.6-3.4

1.4-12.9

7-7.3

ca. 15

0.15-0.25

800-900

1.3-3.7

52.5-55

55-75

36-41.5

10-40

125-147

12-40

10

0.04-0.15

8.7-10

10-80

4.4-5.8

500-1100

12.7-13.4

21-34

20-36

36-68

6.3-9.4

340-354

0.4

0.1-0.14

0.25-4.9

0.05-45

Tabel 8
link til tabel
Kvalitet af det behandlede vand ved Rouen-la-Chapelle værket (gennemsnitlig udvikling mellem 1/1-'92 og 1/1-'95).

1.2 Erfaringer med aktiv kul i Storbritannien (UK)

Omtrent 100 vandværker i UK anvender aktiv kul. I de fleste tilfælde bruges aktiv kul til at kontrollere smags- og lugtproblemer, særligt jordet og muggen smag og lugt. Smags- og lugtproblemerne er sæson betonede og ofte kortvarige, så de fleste af vandværkerne finder det mere økonomisk at bruge PAC (pulveriseret kul) i stedet for GAC. I UK udføres desinfektion ofte med UV-enheder (minimumsværdi 36 mWs/cm2) og kontrol af eftervækst i ledningsnet håndteres gennem chloring (0,2 mg/L chlorresidual).

Dette afsnit præsenterer værker, hvor GAC for nylig er blevet installeret til pesticid fjernelse og fjernelse af chlorerede opløsningsmidler fra grundvand. Disse værker drives af GU PROJECTS (GUP), som er et datterselskab af Compagnie Gènèrale des Eaux.

GAC-filtrene anvendt ved disse værker er standardiserede beholdere udviklet af GUP, tabel 9.

Tabel 9.
Teknisk specifikation af et GAC filtermodul.

18 m3 Trykbeholder

Diameter

GAC (m3)

Design Th (minutter)

Min. Th (minutter)

GAC højde i kolonne (m)

Højde af filter (m)

Design tryk (bar)

Tryktab (m VS)

2.5

18

15

10

3.6

7

10-16

2 to 3

Behandlingskapacitet af ét modul:

Volumen behandlet ved design Th (m3/d)

Volumen behandlet ved min. Th (m3/d)

1730

2590

Data for nogle værker findes i tabel 10. På grund af de lave koncentrationer af organiske stoffer i grundvandet og et lavt driftstryk tilbageskylles kun to gange om året. Ved Musley Lane og Berkhamsted værkerne er GAC-filtrene ikke blevet tilbageskyllet de sidste ti måneder (Prados, personlig korrespondance).

Regenereringen af GAC sker hvert andet år. Beslutningskriteriet er pesticid gennembrud.

En oversigt over råvandskvaliteten for disse værker findes i tabel 11.

Tabel 10
Vandværker drevet af GU PROJECT i Storbritannien.
link til tabel

Tabel 11
link til tabel

Kvalitet af råvand og renset vand ved værker drevet af GUP i Storbritannien.

Ved Crescent Road, hvor GAC også er blevet installeret for at fjerne chlorerede opløsningsmidler, er hurtigt gennembrud af 1,1,1-trichlorethan sket inden for to måneder efter installation, se tabel 12. Som følge af EU-kravet om 10 µg/L som den maksimale, totale koncentration af chlorerede opløsningsmidler (her trichlorethylen, tetrachlorethylen, tetrachlormethan, dichlormethan og 1,1,1-trichlorethan), har dette hurtige gennembrud tydeligvis vigtige implikationer mht. brug af GAC til fjernelse af disse stoffer.

Tabel 12.
Fjernelse af chlorerede opløsningsmidler ved Cresent Road (Hard Lane) (14/3-'97).

Stoffer

GAC indløb (µg/L)

GAC udløb (µg/L)

1,1,1–Trichlorethan

19.1

18.9

Trichlorethylen

9.5

<1

Tetrachlorethylen

4.6

<0.2

Tetrachlormethan

<0.1

<0.1

Vandværker til rensning af overfladevand

I modsætning til grundvand, ændres koncentrationen af pesticider i overfladevand igennem året. For eksempel stiger koncentrationen af pesticider i Mayenne-floden kraftigt fra ca. 0,1 µg/l ved begyndelsen af foråret til 0,8-1,2 µg/l i maj til juli og falder derefter stærkt i slutningen af sommeren til det oprindelige niveau på 0,14 g/l. Dette skyldes den udbredte brug af pesticider (typisk atrazin og simazin) til afgrøder (personlig kom., Prados).

Denne kraftige variation i pesticider udgør et problem for rensning af overfladevand, særligt gennem »dyrkningsperioden«. Ligeledes skifter koncentrationen af naturlige organisk stof (NOM) i overfladevandet i løbet af året. Da NOM-koncentrationen er højere end i grundvand, er tilbageskyl af GAC-filtrene nødvendigt hver anden dag for at forhindre tilstopning.

Tabel 13 viser den tekniske specifikation for fire værker. Princippet for opbygningen af værkerne er vist i figur 2. Rensningsprotokollen er ens for hvert sted: Første trin består i at udføre en koagulation/flokkulering med FeCl3, efterfulgt af bundfældning for at eliminere suspenderede stoffer. Ved La Billerie og La Bultiere værkerne udføres denne operation vha. Actiflo-processen (udviklet af OTV). I sidstnævnte proces reduceres pH med syre, og der sker flokkulering ved tilførsel af aluminiumsulfat og polymerer. Efter bundfældning genjusteres pH og alkaliniteten af vandet før sandfiltreringen. Vandet gennemgår et ozoneringstrin, som efterfølges af en filtrering på GAC. Desinfektion udføres ved chloring (tilsætning af Cl2 og NaOCI).

Figur 2. Simplificeret flow-skema for rensningen af overfladevand: 1) Pumper; 2) Flokkulering/koagulation; 3) Bundfældning; 4) Sandfiltrering; 5) Ozonering; 6) GAC-filtrering; 7) Chloring. (5 Kb)

Figur 2
Simplificeret flow-skema for rensningen af overfladevand: 1) Pumper; 2) Flokkulering/koagulation; 3) Bundfældning; 4) Sandfiltrering; 5) Ozonering; 6) GAC-filtrering; 7) Chloring.

Tabel 13.
Rensningsfaciliteter til rensning af overfladevand i Frankrig.
link til tabel

Et eksempel på ydelsen af disse værker er vist for La Bultiere (tabel 14) og La Billerie (tabel 15) vandværkerne.

Tabel 14.
Rensning for pesticider ved Bultiere vandværket.

 

Råvand

Før GAC

Efter GAC

COD (mg/L)

8.3

TOC (mg/L)

6.8+/-1.4

2.7+/-0.6

1.8+/-0.5

Pesticider (ng/L)

 

 

 

Atrazin

105-540

64-320

20-23

Simazin

240-640

140-365

nd

Desethylatrazin

45-110

nd

nd

Desisopropylatrazin

nd

310-520

nd

Diuron

490-1250

49-270

nd

Isoproturon

26-225

nd

nd

Chlortoluron

110-630

nd

nd

nd: ikke påvist; – ikke målt

Tabel 14 viser, at »urinstof«-pesticider (diuron, isoproturon og chlorotoluron) hovedsageligt er fjernet før GAC-filteret, dvs. under ozoneringen. Ligeledes fjernede ozoneringen op til 50% af triazinerne, men producerede til gengæld desisopropylatrazin, som er et nedbrydningsprodukt fra atrazin. GAC-filteret fjernede resten af pesticiderne.

Billerie vandværket illustrerer GAC rensning af overfladevand, når der er store variationer i koncentrationerne. Tabel 15 viser tre tidsperioder, hvor værket blev opgraderet fra ét til tre GAC-filtre.

Tabel 15.
Atrazin- og simazin-koncentrationer ved forskellige trin på Billerie vandværket. Koncentrationer i ng/L.

Fra januar -93 til april -95: 1 GAC filter

 

Råvand

Efter sandfilter

Efter ozonering

Efter GAC

Atrazin

230-3360

130-3050

150-2000

120-1170

Simazin

<40-150

<40-110

<40-80

<40

Fra april -95 til oktober -95: 2 GAC filtre
(1st GAC filter udskiftet)

 

Råvand

Efter sandfilter

Efter ozonering

Efter GAC

Atrazin

105-360

90-245

<40-120

Simazin

<40 – 100

<40

<40

Fra oktober -95: 3 GAC filtre

 

Råvand

Efter sandfilter

Efter ozonering

Efter GAC

Atrazin

165-600

90-280

<60

Simazin

<40-75

<40

<60

Endvidere blev desethylatrazin målt i råvandet med koncentrationer varierende mellem 50 og 140 ng/L. Indtil oktober 1996 var udløbskoncentrationen af atrazin og simazin under detektionsniveau (<60 ng/L). Desethylatrazins gennembrud skete før atrazins.

Tabel 16 viser rensningen i de tre filtre i Billerie-værket ved gennembrud af pesticider.

Tabel 16.
Gennembrudskoncentrationen af atrazin og desethylatrazin efter hvert GAC-filter ved Billerie vandværket.

 

GAC type

Koncentration
ved gennembrud

Atrazin gennembrud

(28-10-96)

F1:PICA-ES

F2: PICACTIF

F3:NORIT

100 ng/L

70 ng/L

<60 ng/L

Desethylatrazin gennembrud

(24-04-96)

F1:PICA-ES

F2: PICACTIF

F3:NORIT

70 ng/L

55 ng/L

50 ng/L

[Forside] [Indhold] [Forrige] [Næste] [Top]