| Forside | | Indhold | | Forrige | | Næste |
Rensning af jord med blandingsforureninger ved hjælp af termiske
jordbehandlingsanlæg
Bilag 7:
Kemisk analyse af returvand fra scrubbere

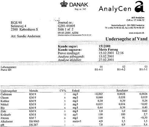
Undersøgelser mærket # er ikke omfattet af akkrediteringen.
Analyserapporten vedrører kun det prøvede emne.
Analyserapporten må ikke gengives undtagen i sin helhed.

Med venlig hilsen

laborant Anita Madsen
Undersøgelser mærket # er ikke omfattet af akkrediteringen.
Analyserapporten vedrører kun det prøvede emne.
Analyserapporten må ikke gengives undtagen i sin helhed.
| Forside | | Indhold | | Forrige | | Næste | | Top
|