| Forside | | Indhold | | Tilbage | | Udskriftsvejledning |
Rensning af jord med blandingsforureninger ved hjælp af termiske jordbehandlingsanlæg
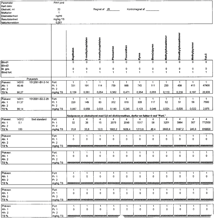
Beregningskort - jord - PAH-MS
| Forside | | Indhold | | Tilbage | | Udskriftsvejledning | | Top |